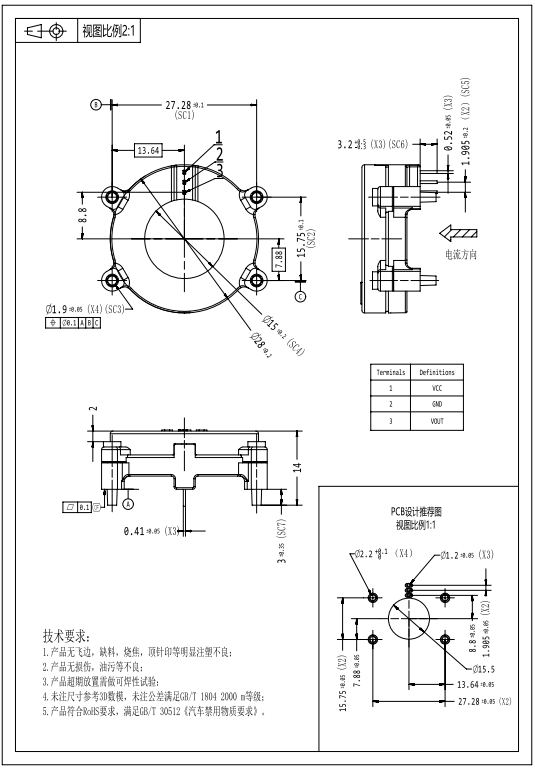
QFO15HC600TF3S1 - BR 系列电流传感器,专为工业和汽车应用领域中交流(AC)与直流(DC)的电流检测量身打造,提供了一套可靠且性价比极高的解决方案。该系列传感器不仅实现了原边和副边的有效电气隔离,其外壳设计还支持多种不同电流测量规格,充分满足多样化的应用需求。
显著优势特征
先进的检测原理
采用基于霍尔(Hall)感应原理的开环型设计,能够精准捕捉电流变化,为电流检测提供可靠的技术支撑。
灵活的供电方式
主要采用单电源 5V 供电模式,方便与常见电路系统集成。若需要 3.3V 供电,只需与工厂联系,即可获得定制化解决方案。
宽泛的测量范围
原边测量电流范围宽广,可达±600A,能够适应不同场景下大电流的检测需求,无论是工业生产中的大型设备,还是汽车领域的高功率部件,都能轻松应对。
极端环境适应性
具备出色的环境耐受能力,传感器工作温度范围覆盖 -40°C 至 +125°C。无论是在寒冷的北方冬季,还是炎热的南方夏季,亦或是汽车发动机舱等高温环境,都能稳定可靠地工作。
卓越的性能指标
拥有良好的精度和线性度,能够精确反映电流的实际变化情况。同时,温漂性能优异,在不同温度条件下,都能保持测量结果的准确性和稳定性。
特定的输出特性(以 -BR 为例)
零电流偏置 VQVO 设定为 VCC/2,增益(Gain)固定,且不随 VCC 的变化而改变,为后续的信号处理和分析提供了便利。
汽车行业专属适配
专为汽车行业设计,具备高精度特性,能够满足汽车电子系统对电流检测的严苛要求,为汽车的安全运行和性能优化提供有力保障。
快速的响应能力
响应时间小于 4us,能够迅速捕捉电流的瞬态变化,在需要快速响应的控制系统中,如电机控制、功率调节等,发挥关键作用。
广泛的产品应用
新能源汽车核心控制
在电动汽车(EV)和混合动力汽车(HEV)的电机控制器中,准确检测电流是确保电机高效、稳定运行的关键。QFO15HC600TF3S1 - BR 系列电流传感器能够实时、精确地测量电机电流,为电机控制算法提供准确的数据支持,从而实现电机的精准调速和扭矩控制。
电力电子设备调控
在变频器和逆变器控制领域,该系列传感器可对输入和输出的电流进行精确监测,帮助控制系统实时调整功率输出,提高能源转换效率,降低能耗。同时,还能及时发现电流异常情况,保护设备免受损坏。
功率电源管理
在功率电源和 DC - DC 变换器控制中,电流的稳定控制至关重要。QFO15HC600TF3S1 - BR 系列电流传感器能够实时监测电流变化,为电源管理系统提供准确的反馈信号,确保电源输出的稳定性和可靠性,满足不同负载的需求。
清晰的工作原理
开环电流传感器基于安培定律运作,即一根通电直导线周边产生的磁场强度与导线中的电流大小成比例关系。利用霍尔器件的独特特性,通过检测原边电流所产生的磁场强度 B 的大小,进而推算出导线中的电流大小。
在磁滞的线性区间内,磁场强度 B 与原边电流 IP 之间的比例关系可表示为:B(IP)= K * IP(其中 K 为常数)。
霍尔电压 VH 的计算公式为:VH = (RH/d) * I * K * IP,在这个公式中,除了原边电流 IP 是变量外,其余参数均为常量。因此,霍尔电压 VH 可以简化为:VH = K1 * IP(其中 K1 为常数)。
特定的霍尔芯片会对霍尔电压 VH 进行放大处理,通过测量放大后的电压值,再根据预先设定的参数关系,即可准确推算出原边电流 IP 的大小,从而实现电流的精确检测。
我司是森尼克正式授权代理商,可以提供技术支持,需要技术资料与样品可以向我司业务人员索取(13923795851孙生-微信同号);





