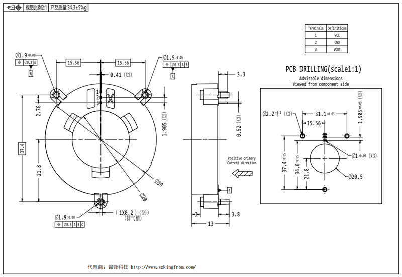
QFO20HCA00TF3S1BR-3系列电流传感器为工业和汽车应用领域内AC,DC的电流检测提供了可靠,性价比更高的解决方案。 并为原边和副边提供了有效隔离,同样外壳可以提供从±400A到±1000A多种不同电流测量规格。
优势特征:
⚫ 应用hall感应原理的开环型电流传感器
⚫ 单电源3.3V供电
⚫ 原边测量电流范围±1000A
⚫ 传感器工作温度范围:-40 °C to +125°C
⚫ 良好的精度、线性度以及温漂
⚫ 输出电压:
-BR:零电流偏置VQVO=VCC/2,增益Gain固定不随VCC变化
⚫ 适用于汽车行业的高精度传感器
⚫ 响应时间:4us
产品应用:
⚫ EV/HEV电机控制器
⚫ 变频器、逆变器控制
⚫ 功率电源和DC-DC变换器控制
工作原理:
开环电流传感器利用安培定律(一根通电直导线周边产生的磁场与导线中的电流成比例),利用 hall 器件的特性,通过检测原边电流产生的磁场强度 B 的大小,从而检测出导线中的电流大小。在磁滞的线性区间内,B 与 I 的比例关系为:
B(IP)= K * IP (K 为常数)
Hall 电压可以表示为:
VH=(RH/d) * I * K * IP
除了 IP 是变化量,其余都是常量,由此:
VH=K1 * IP(K1 为常数)
特定的Hall芯片通过放大VH从而得到电压来推算出原边电流。
我司是森尼克正式授权代理商,可以提供技术支持,需要技术资料与样品可以向我司业务人员索取(13923795851孙生-微信同号);





